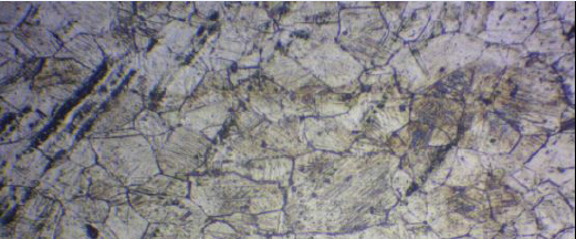
晶間腐蝕是金屬材料在特定的腐蝕介質中沿晶界發生腐蝕,導致材料性能降低的現象,晶間腐蝕試驗按照最新的檢測標準GB/T4334-2020測試方法和評價方法多達6種,各種方法的評價指標和分析的側重點不同,哪種不銹鋼適合什么樣的腐蝕環境,哪種晶間腐蝕方法最可靠,一直是甲方或者乙方以及檢測機構無法回避的問題,只有選對檢測方法才能更有效的提供質量保證,才能為生產和使用提供有效的支持,隱石檢測提供科學檢測方法為客戶推薦適合檢測標準和測試
恭喜隱石檢測取得美國NIST沖擊認證
CNAS認證加冕,隱石檢測再創輝煌,精準檢測助力企業發展!
關于SSC硫化氫應力腐蝕的四種檢測方法的介紹
不銹鋼晶間腐蝕有6種方法該如何選擇呢?
碳鋼如何更好的通過HIC和SSC試驗?
NACE MR0175試驗-SSC抗硫化氫應力腐蝕檢測
第三方檢測機構若干問題(三),看國家市場監督管理總局的回復
第三方檢測機構若干問題(二),看國家市場監督管理總局的回復
第三方檢測機構若干問題(一),看國家市場監督管理總局的回復
第三方檢測機構發展利好 請看五部門發布的指導意見
官方微信